TIME TIME323X用V型ピックアップ TIME S230V(7mm)

商品コードtimes230v

製造元TIME

原産地

出荷の目安7-9営業日で出荷(取り寄せ)

販売価格(税込)253,000

ポイント2,530

数量 - +

この商品について問い合わせる

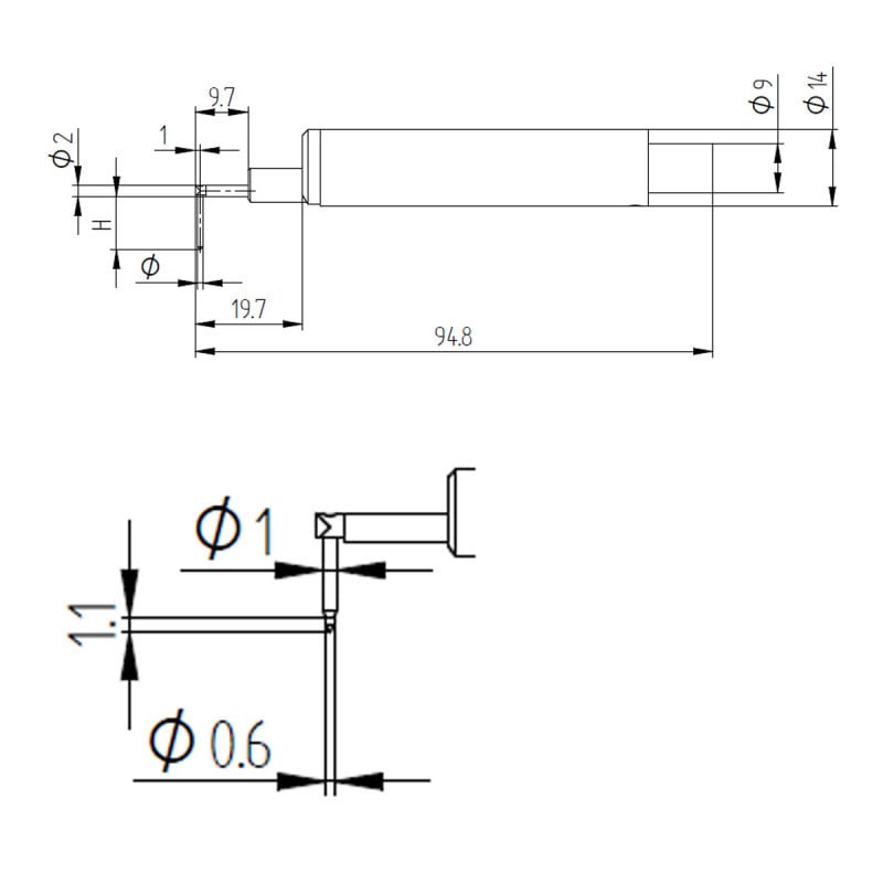
TIME323Xシリーズ粗さ試験機用のオプションのトランスデューサー。衝撃試験片のV字型エッジの粗さ測定用に、特別に拡張および縮小されたV型スタイラスです。
※掲載しているイメージ画像または動画はシリーズ商品のものもございます。またメーカーの生産時期により、色・デザインが多少が異なる場合がございますので、あらかじめ御了承下さい。

全国送料無料・安心の1年保証つき!

最近チェックした商品(イーレコメンド)

この商品を見た人はこんな商品も見ています。